作者:王彬
投资业务是公司为未来获取收益,可以现金投入到特定产品或项目中形成资产或权益。根据项目投向类型和投资策等因素的不同,投资业务可分为债权类融资业务和股权类投资业务,其中债权类投资业务根据投资对象的不同,又可以分为债权类直接投资和债权类产品投资两大体系。
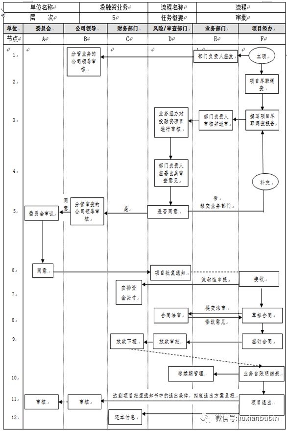
一、投资业务流程
基于公司治理基本逻辑和相关法律法规的规定,对于投资业务基本流程可框定如下:

二、投资业务流程重点环节梳理
在上述流程中,如下重点环节需要认真把控(环节参见上述横向纵向序列号):
F1(立项):根据公司投资业务策略,结合客户和市场情况,发起具体投资业务,并于客户就业务模式、价格、期限等产品要素以及合同条款进行洽谈,如达到公司标准,则进行立项。
F2(项目尽调):项目尽调应事先差异化对待,对于债权类项目,产品类和股权类业务区别情况进行尽调。
F3(撰写尽调报告):送审报告中应包含实质风险承担方(融资方、担保人或被投资企业)的经营情况和财务状况,项目基本情况,资金用途的合法合理性、投资方案、退出方案、存续期管理方案、投资风险及对策分析。其中核心材料包括:立项报告及批复意见,尽职调查报告,融资人(担保人)或拟投资标的对象基础证照材料,近三年审计财报;购买产品提供产品管理人的尽职调查报告和项目内部审批意见;拟定的合同或协议,承诺函等法律文本初稿;评估报告等中介机构提供的中介机构意见;增信措施的证明材料。
D3(风险及审查部门业务经办对投融资项目进行审核):风险合规及审查部门应在项目审查审批过程中基于各类型业务的属性、特点对项目进行全面、合理、审慎的风险评审。其中,业务审查侧重于审查业务材料的完整性和一致性,对报审项目的风险及可行性进行分析(包括项目合规、估值定价、项目处置方案、还款来源、退出方式、风险识别等内容);法审主要侧重相关业务的交易主体、交易标的(包括拟收购、处置的资产及自有资金投资项目所涉资产)、交易结构(包含风险控制措施)等内容的合法性和有效性;
D6(项目批复通知):审查部门出具的项目批复应明确投资标的、金额、期限、价格、风险缓释措施、后续管理要求、必要时需明确实施前提条件,落地方案等内容。
C7(安排资金头寸):在取得项目批复通知后,财务部门收到业务部门资金使用头寸申报,预报内容包括拟放款时间,拟放款金额,预期收益率等,财务部据此安排资金头寸。
F8(草拟合同):合同使用应注意是否为公司拟定的合同模版,合同条款是否有修改;合同填写是否规范,合同编号、借款人、担保人、股权/债权/受益权出让方、金额、币种、用途、利率、分项费率等是否填写准确,主合同与附属合同填写是否一致。
D8(合同法审):合同法审应完整保留相关文本和审查痕迹,作为核对依据和重要档案存查。主要审查项目主办人员的草拟合同的内容是否合规,合同、信用增级法律文本等相关法律文件是否具有法律效力,是否足以保障项目的推进和自身的合法权益。
D9(放款审批):中台审查部门向业务部门出具《放款审批表》,业务部门根据放款审批条件,在办妥放款准备手续后发起放款申请,备齐项目批复通知书,放款审批表,业务合同和其他必要的业务证明材料,落实放款各项前提条件,填写相关合同文本提交审查部门审核。
F10(建立业务明细台账):放款完成后,业务部门建立该项业务台账明细表,记录业务情况,与中台部门一起进行存续期管理。在此期间如果发生可能影响业务最终实现的重大风险事件,应由项目经办及时向部门负责人、风险合规部门以及公司分管领导报告,采取相应措施,防范业务风险,必要时成立专项小组进行处理。
三、投融资业务尽调审查风险点把控
(一)各环节关键风险点梳理

(二)材料审核重点
1、债权类业务
在尽职调查、风险合规及业务审查及存续期/退出管理中,应当注重如下材料的重点审核:
一是公司内部审批材料。如业务审查报告;董事会下设委员会就该项业务的审议意见和综合意见;公司内部就该项目的批复意见及相关定价决策决定材料。
二是融资人资料。具体包括法人营业执照正副本复、企业通过企业信用信息公示系统向社会公示材料、企业组织机构代码证、税务登记证(含国税、地税)、法定代表人或合伙事务执行人有效身份证件;从事许可制经营的,应提供相关行政主管部门的经营许可证;依法成立的文件复印件和有权机构出具的验资报告(如有);公司章程(或合伙协议)和董事会、股东大会、职工代表大会等企业内部有权机构做出的决议(如有);近两年经审计的财务报告、近期财务报表;借款人贷款卡、人行征信系统打印的企业信用业务报告、贷款卡状态报告打印件和其他证明贷款卡有效性的必备档案(如有);内部评级结果通知书(如有);最近一期外部评级报告(如有);自然人客户婚姻状况证明文件,自然人客户及其配偶有效身份证明文件、人行征信系统打印的自然人以及配偶的信用业务报告;金融机构许可证复印件(如有);基于审查需要应提供的其他送审材料;
三是担保人资料。除上述与融资人相同的资质证明材料之外,如果是采用抵(质)押担保方式,则需审查能够证明对抵(质)押物享有所有权和处置权的要件;抵(质)押物评估文件;如果担保人为自然人客户的,还需审查担保人婚姻状况证明文件,担保人及其配偶客户有效身份证明文件、人行征信系统打印的自然人以及配偶的信用业务报告等。
四是业务放款的相关资料。具体包括业务相关法律文本及附件;核保证明文件(包括不限于法律文件面签核实情况表及核保影音资料等);项目启动通知书及回执(如有);相关合同签署文本及直接签署合同的影印件;放款审核材料;会计划款回单及网银回单;存续期管理报告(定期移交);按季结息相关资料(如有)等。
五是针对债权类产品投资业务。除上述审查重点外,仍需关注能证明资产管理人、投资顾问、资产托管人等产品参与方合法合规性及经营能力和产品实时运作情况的相关材料。
2、股权类他投资业务
审查重点与债权类业务既有重合也有区别,其中,公司内部审批材料、融资人、担保人及其业务放款流程所关注的重点大体一致,但在存续期管理上,则要更加关注项目推进情况;被投资企业的经营情况;融资资金的使用情况说明;公司当期财务报告及最新融资估值情况;以及最终的退出方案的可行性。
节选自王彬:《地方资产管理公司治理与发展》(法律出版社2018年11月版)
注:文章为作者独立观点,不代表资产界立场。
题图来自 Pexels,基于 CC0 协议
本文由“负险不彬”投稿资产界,并经资产界编辑发布。版权归原作者所有,未经授权,请勿转载,谢谢!

负险不彬 











